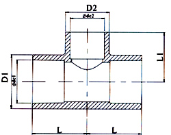
| Size | D1 | D2 | d1 | d2 | I1 | d3 | d4 | I2 | L | H | K |
| 3/4″*3/4″*1/2″ | 35 | 30.5 | 26.87 | 26.57 | 27.4 | 21.54 | 21.23 | 24.22 | 85 | 38.5 | 56 |
| 1″*1″*1/2″ | 44 | 30.5 | 33.66 | 33.27 | 30.58 | 21.54 | 21.23 | 24.22 | 96 | 41 | 63 |
| 1″*1″*3/4″ | 44 | 35 | 33.66 | 33.27 | 30.58 | 26.87 | 26.57 | 27.4 | 96 | 44.5 | 66.5 |
| 1″*1″*2″ | 44 | 73 | 33.66 | 33.27 | 30.58 | 60.63 | 60.17 | 41.1 | 96 | 65 | 87 |
| 1-1/4″*1-1/4″*1/2″ | 54 | 30.5 | 42.42 | 42.04 | 34.75 | 21.54 | 21.23 | 24.22 | 115.5 | 44.5 | 71.5 |
| 1-1/4″*1-1/4″*3/4″ | 54 | 35 | 42.42 | 42.04 | 34.75 | 26.87 | 26.57 | 27.4 | 115.5 | 48 | 75 |
| 1-1/4″*1-1/4″*1″ | 54 | 44 | 42.42 | 42.04 | 34.75 | 33.66 | 33.27 | 30.58 | 115.5 | 52 | 79 |
| 1-1/2″*1-1/2″*1/2″ | 60 | 30.5 | 48.56 | 48.11 | 37.93 | 21.54 | 21.23 | 24.22 | 128 | 48.5 | 78.5 |
| 1-1/2″*1-1/2″*3/4″ | 60 | 35 | 48.56 | 48.11 | 37.93 | 26.87 | 26.57 | 27.4 | 128 | 52 | 82 |
| 1-1/2″*1-1/2″*1″ | 60 | 44 | 48.56 | 48.11 | 37.93 | 33.66 | 33.27 | 30.58 | 128 | 55.5 | 85.5 |
| 1-1/2″*1-1/2″*1-1/4″ | 60 | 54 | 48.56 | 48.11 | 37.93 | 42.42 | 42.04 | 34.75 | 128 | 60 | 90 |
| 2″*2″*1/2″ | 75 | 30.5 | 60.63 | 60.17 | 41.1 | 21.54 | 21.23 | 24.22 | 146 | 54 | 91.5 |
| 2″*2″*3/4″ | 75 | 35 | 60.63 | 60.17 | 41.1 | 26.87 | 26.57 | 27.4 | 146 | 57.5 | 95 |
| 2″*2″*1″ | 75 | 44 | 60.63 | 60.17 | 41.1 | 33.66 | 33.27 | 30.58 | 146 | 60.5 | 98 |
| 2″*2″*1-1/4″ | 75 | 54 | 60.63 | 60.17 | 41.1 | 42.42 | 42.04 | 34.75 | 146 | 65 | 102.5 |
| 2″*2″1-1/2″ | 75 | 60 | 60.63 | 60.17 | 41.1 | 48.56 | 48.11 | 37.93 | 146 | 69 | 106.5 |
| 2-1/2″*2-1/2″*1″ | 89 | 54 | 73.38 | 72.85 | 47.45 | 33.66 | 33.27 | 30.58 | 171 | 67.5 | 112 |
| 2-1/2″*2-1/2″*1-1/4″ | 89 | 56 | 73.38 | 72.85 | 47.45 | 42.42 | 42.04 | 34.75 | 171 | 72 | 117.5 |
| 2-1/2″*2-1/2″*1-1/2″ | 89 | 60 | 73.38 | 72.85 | 47.45 | 48.56 | 48.11 | 37.93 | 171 | 75 | 119.5 |
| 2-1/2″*2-1/2″*2″ | 89 | 73 | 73.38 | 72.85 | 47.45 | 60.63 | 60.17 | 41.1 | 171 | 79 | 123.5 |
| 3″*3″*1″ | 105 | 44 | 89.31 | 88.7 | 50.63 | 33.66 | 33.27 | 30.58 | 196 | 83 | 135.5 |
| 3″*3″*1-1/2″ | 105 | 60 | 89.31 | 88.7 | 50.63 | 48.56 | 48.11 | 37.93 | 196 | 87 | 139.5 |
| 3″*3″*2″ | 105 | 73 | 89.31 | 88.7 | 50.63 | 60.63 | 60.17 | 41.1 | 196 | 95 | 147.5 |
| 3″*3″2-1/2″ | 105 | 89 | 89.31 | 88.7 | 50.63 | 73.83 | 72.85 | 47.45 | 196 | 95 | 147.5 |
| 4″*4″*1″ | 132 | 44 | 114.76 | 114.07 | 60.15 | 33.66 | 33.27 | 30.58 | 238 | 90 | 156 |
| 4″*4″1-1/2″ | 132 | 44 | 114.76 | 114.07 | 60.15 | 48.56 | 48.11 | 37.93 | 238 | 97 | 163 |
| 4″*4″*2″ | 132 | 73 | 114.76 | 114.07 | 60.15 | 60.63 | 60.17 | 41.11 | 238 | 97 | 163 |
| 4″*4″*2-1/2″ | 132 | 89 | 114.76 | 114.07 | 60.15 | 73.38 | 72.85 | 47.45 | 238 | 104 | 170.5 |
| 4″*4″*3″ | 132 | 105P> | 114.76 | 114.07 | 60.15 | 89.31 | 88.71 | 50.63 | 238 | 110 | 176 |
| 5″*5″*2″ | 163 | 74 | 141.81 | 141.04 | 70 | 60.63 | 60.17 | 41.1 | 298 | 114.5 | 196 |
| 6″*6″*2″ | 191 | 75 | 168.83 | 168 | 79.2 | 60.63 | 60.17 | 41.1 | 338 | 130 | 225.5 |
| 6″*6″*4″ | 191 | 132 | 168.83 | 168 | 79.2 | 114.76 | 114.07 | 60.15 | 338 | 145 | 240.5 |
| 8″*8″*2″ | 248 | 74 | 219.84 | 218.7 | 104.6 | 60.63 | 60.17 | 41.11 | 439 | 151 | 275 |
| 8″*8″*3″ | 248 | 105 | 219.84 | 218.7 | 104.6 | 89.3 | 88.7 | 50.63 | 439 | 160 | 284 |
| 8″*8″*4″ | 248 | 105 | 219.84 | 218.7 | 104.6 | 114.76 | 114.07 | 60.15 | 439 | 170 | 294 |
| 8″*8″*6″ | 248 | 191 | 219.84 | 218.7 | 104.6 | 168.83 | 168 | 79.2 | 439 | 194 | 318 |
| 10″*10″*2″ | 307 | 74 | 273.81 | 272.67 | 130 | 60.63 | 60.17 | 41.1 | 560 | 185 | 338.5 |
| 10″*10″*3″ | 307 | 107 | 273.81 | 272.67 | 130 | 89.31 | 88.31 | 50.6 | 560 | 194 | 347.5 |
| 10″*10″*4″ | 307 | 134 | 273.81 | 272.67 | 130 | 114.76 | 114.07 | 60.2 | 560 | 205 | 358.5 |
| 10″*10″*6″ | 307 | 193 | 273.81 | 272.67 | 130 | 168.83 | 168 | 79.2 | 560 | 225 | 378.5 |
| 10″*10″*8″ | 307 | 248 | 273.81 | 272.67 | 130 | 219.84 | 218.69 | 104.4 | 560 | 250 | 403.5 |
| 12″*12″*2″ | 364 | 74 | 324.61 | 323.47 | 155 | 60.63 | 60.17 | 41.1 | 660 | 215 | 397 |
| 12″*12″*3″ | 364 | 107 | 324.61 | 323.47 | 155 | 89.31 | 88.31 | 50.6 | 660 | 225 | 407 |
| 12″*12″*4″ | 364 | 136 | 324.61 | 323.47 | 155 | 114.76 | 144.07 | 60.2 | 660 | 235 | 417 |
| 12″*12″*6″ | 364 | 195 | 324.61 | 323.47 | 155 | 168.83 | 168 | 79.2 | 660 | 255 | 437 |
| 12″*12″*8″ | 364 | 248 | 324.61 | 323.47 | 155 | 219.84 | 218.69 | 104.4 | 660 | 280 | 462 |
| 12″*12″*10″ | 364 | 308 | 324.61 | 323.47 | 155 | 273.81 | 272.67 | 130 | 660 | 305 | 487 |
| 14″*14″*4″ | 396.5 | 136 | 356.49 | 355.22 | 180 | 114.76 | 114.07 | 60.2 | 856 | 288 | 480 |
| 14″*14″*6″ | 396.5 | 195 | 356.49 | 355.22 | 180 | 168.83 | 168 | 79.2 | 856 | 308 | 500 |
| 14″*14″*8″ | 396.5 | 248 | 356.49 | 355.22 | 180 | 219.84 | 218.69 | 104.4 | 856 | 337 | 529 |
| 14″*14″*10″ | 396.5 | 308 | 356.49 | 355.22 | 180 | 273.81 | 272.67 | 130 | 856 | 362 | 554 |
| 14″*14″*12″ | 396.5 | 364 | 356.49 | 355.22 | 180 | 324.6 | 323.5 | 155 | 856 | 386 | 578 |
|
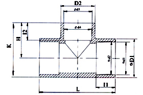
Size
Nom
|
∮d1 | ∮d2 | ∮d3 | ∮d4 | ∮d | ∮do | ∮D | ∮D1 | I | I1 | L | H |
| 25X20 | 25.3 | 24.9 | 20.3 | 19.9 | 22 | 17 | 32.2 | 26 | 19 | 16 | 65 | 29.5 |
| 32X20 | 32.3 | 31.9 | 20.3 | 19.9 | 28 | 17 | 41 | 26 | 22 | 16 | 80 | 34 |
| 32X25 | 32.3 | 31.9 | 25.3 | 24.9 | 28 | 22 | 41 | 32.2 | 22 | 19 | 80 | 37 |
| 40X20 | 40.3 | 39.9 | 20.3 | 19.9 | 35 | 17 | 50.8 | 26 | 26 | 16 | 96 | 38 |
| 40X25 | 40.3 | 39.9 | 25.3 | 24.9 | 35 | 22 | 50.8 | 32.2 | 26 | 19 | 96 | 41 |
| 40X32 | 40.3 | 39.9 | 32.3 | 31.9 | 35 | 28 | 50.8 | 41 | 26 | 22 | 96 | 44 |
| 50X20 | 50.3 | 49.9 | 20.3 | 19.9 | 44 | 17 | 63.4 | 26 | 31 | 16 | 116 | 43 |
| 50X25 | 50.3 | 49.9 | 25.3 | 24.9 | 44 | 22 | 63.4 | 32.2 | 31 | 19 | 116 | 46 |
| 50X32 | 50.3 | 49.9 | 32.3 | 31.9 | 44 | 28 | 63.4 | 41 | 31 | 22 | 116 | 49 |
| 50X40 | 50.3 | 49.9 | 40.3 | 39.9 | 44 | 35 | 63.4 | 50.8 | 31 | 26 | 116 | 53 |
| 63X20 | 63.3 | 62.9 | 20.3 | 19.9 | 56 | 17 | 79.6 | 26 | 38 | 16 | 143 | 49.5 |
| 63X25 | 63.3 | 62.9 | 25.3 | 24.9 | 56 | 22 | 79.6 | 32.2 | 38 | 19 | 143 | 52.5 |
| 63X32 | 63.3 | 62.9 | 32.3 | 31.9 | 56 | 28 | 79.6 | 41 | 38 | 22 | 143 | 55.5 |
| 63X40 | 63.3 | 62.9 | 40.3 | 39.9 | 56 | 35 | 79.6 | 50.8 | 38 | 26 | 143 | 59.5 |
| 63X50 | 63.3 | 62.9 | 50.3 | 49.9 | 56 | 44 | 79.6 | 63.4 | 38 | 31 | 143 | 64.5 |
| 75X32 | 75.35 | 74.9 | 32.3 | 31.9 | 73.5 | 28 | 95 | 41 | 44 | 22 | 168 | 62 |
| 75X40 | 75.35 | 74.9 | 40.3 | 39.9 | 73.5 | 35 | 95 | 50.8 | 44 | 26 | 168 | 66 |
| 75X50 | 75.35 | 74.9 | 50.3 | 49.9 | 73.5 | 44 | 95 | 63.4 | 44 | 31 | 168 | 71 |
| 75X63 | 75.35 | 74.9 | 63.3 | 62.9 | 73.5 | 56 | 95 | 79.6 | 44 | 38 | 168 | 78 |
| 90X32 | 90.5 | 89.9 | 32.3 | 31.9 | 87 | 28 | 114 | 41 | 51 | 22 | 198 | 70 |
| 90X40 | 90.5 | 89.9 | 40.3 | 39.9 | 87 | 35 | 114 | 50.8 | 51 | 26 | 198 | 74 |
| 90X50 | 90.5 | 89.9 | 50.3 | 49.9 | 87 | 44 | 114 | 63.4 | 51 | 31 | 198 | 79 |
| 90X63 | 90.5 | 89.9 | 63.3 | 62.9 | 87 | 56 | 114 | 79.6 | 51 | 38 | 198 | 86 |
| 90X75 | 90.5 | 89.9 | 75.35 | 74.9 | 87 | 73.5 | 114 | 95 | 51 | 44 | 198 | 92 |
| 110X32 | 110.6 | 109.9 | 32.3 | 31.9 | 108 | 28 | 135 | 41 | 61 | 22 | 238 | 80 |
| 110X50 | 110.6 | 109.9 | 50.3 | 49.9 | 108 | 44 | 135 | 63.4 | 61 | 31 | 238 | 89 |
| 110X63 | 110.6 | 109.9 | 63.3 | 62.9 | 108 | 56 | 135 | 79.6 | 61 | 38 | 238 | 96 |
| 110X75 | 110.6 | 109.9 | 75.35 | 74.9 | 108 | 73.5 | 135 | 95 | 61 | 44 | 238 | 102 |
| 110X90 | 110.6 | 109.9 | 90.5 | 89.9 | 108 | 87 | 135 | 114 | 61 | 51 | 238 | 109 |
| 140X63 | 140.85 | 140.05 | 63.3 | 62.9 | 136 | 56 | 163 | 79.6 | 76 | 38 | 298 | 111 |
| 160X63 | 160.85 | 160.05 | 63.3 | 62.9 | 158.4 | 56 | 186 | 79.6 | 86 | 38 | 338 | 121 |
| 160X75 | 160.85 | 160.05 | 75.35 | 74.9 | 158.4 | 73.5 | 186 | 95 | 86 | 44 | 338 | 127 |
| 160X90 | 160.85 | 160.05 | 90.5 | 89.9 | 158.4 | 87 | 186 | 114 | 86 | 51 | 338 | 134 |
| 160X110 | 160.85 | 160.05 | 110.6 | 109.9 | 158.4 | 108 | 186 | 135 | 86 | 61 | 338 | 144 |
| 160X140 | 160.85 | 160.05 | 140.85 | 140.05 | 158.4 | 136 | 186 | 163 | 86 | 76 | 338 | 160 |
| 225X90 | 226.25 | 225.05 | 90.5 | 89.9 | 223 | 87 | 261 | 114 | 119 | 51 | 469 | 166.5 |
| 225X110 | 226.25 | 225.05 | 110.6 | 109.9 | 223 | 108 | 261 | 135 | 119 | 61 | 469 | 176.5 |
| 225X140 | 226.25 | 225.05 | 140.85 | 140.05 | 223 | 136 | 261 | 163 | 119 | 76 | 469 | 192.5 |
| 225X160 | 226.25 | 225.05 | 160.85 | 160.05 | 223 | 158.4 | 261 | 186 | 119 | 86 | 469 | 201.5 |
| 250X110 | 251.45 | 250.05 | 110.6 | 109.9 | 239 | 108 | 290 | 135 | 131 | 61 | 518 | 195.5 |
| 250X140 | 251.45 | 250.05 | 140.85 | 140.05 | 239 | 136 | 290 | 163 | 131 | 76 | 518 | 210.5 |
| 250X160 | 251.45 | 250.05 | 160.85 | 160.05 | 239 | 158.4 | 290 | 186 | 131 | 86 | 518 | 220.5 |
| 250X225 | 251.45 | 250.05 | 226.25 | 225.05 | 239 | 223 | 290 | 261 | 131 | 119 | 518 | 255.5 |
| 315X110 | 316.85 | 315.05 | 110.6 | 109.9 | 304 | 108 | 364 | 135 | 163 | 61 | 652 | 228 |
| 315X140 | 316.85 | 315.05 | 140.85 | 140.05 | 304 | 136 | 364 | 163 | 163 | 76 | 652 | 243 |
| 315X160 | 316.85 | 315.05 | 160.85 | 160.05 | 304 | 158.4 | 364 | 186 | 163 | 86 | 652 | 253 |
| 315X225 | 316.85 | 315.05 | 226.25 | 225.05 | 304 | 223 | 364 | 261 | 163 | 119 | 652 | 286 |
| 315X250 | 316.85 | 315.05 | 251.45 | 250.05 | 304 | 239 | 364 | 290 | 163 | 131 | 652 | 298 |
上一篇: 異徑接頭(卜申)(Spig*S)
下一篇: 十字 ANSI SCH80

蘇公網(wǎng)安備 32050502000597號(hào)