
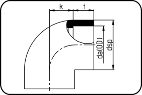
| Dimension | Detail |
da(OD)
mm
|
dsp
mm
|
t
mm
|
k
mm
|
p
bar
|
Weight |
| 20 | 20 - MOP 20 bar | 20 | 28 | 15 | 14 | 20 | 0.03 |
| 25 | 25 - MOP 20 bar | 25 | 32,5 | 16,5 | 16 | 20 | 0.042 |
| 32 | 32 - MOP 20 bar | 32 | 41 | 18,5 | 20 | 20 | 0.07 |
| 40 | 40 - MOP 20 bar | 40 | 49 | 21,5 | 23 | 20 | 0.104 |
| 50 | 50 - MOP 20 bar | 50 | 60 | 24 | 27,5 | 20 | 0.167 |
| 63 | 63 - MOP 20 bar | 63 | 74,5 | 28 | 33,5 | 20 | 0.303 |
| 75 | 75 - MOP 20 bar | 75 | 92 | 32,5 | 39 | 20 | 0.593 |
| 90 | 90 - MOP 20 bar | 90 | 113 | 36 | 50 | 20 | 1.08 |
| 110 | 110 - MOP 20 bar | 110 | 132 | 41,5 | 58,5 | 20 | 1.595 |

蘇公網(wǎng)安備 32050502000597號(hào)