
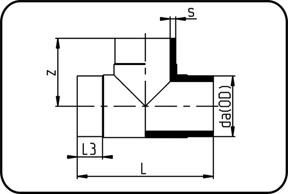
| Dimension | Detail |
da(OD)
mm
|
s
mm
|
z
mm
|
L
mm
|
L3
mm
|
Weight |
| 110 | 110X3,4 SDR33 ISO S-16 | 110 | 3,4 | 109 | 223 | 33 | 0.443 |
| 125 | 125X3,9 SDR33 ISO S-16 | 125 | 3,9 | 115 | 230 | 40 | 0.492 |
| 140 | 140X4,3 SDR33 ISO S-16 | 140 | 4,3 | 125 | 253 | 25 | 0.492 |
| 160 | 160X4,9 SDR33 ISO S-16 | 160 | 4,9 | 173 | 346 | 57 | 1.68 |
| 180 | 180X5,5 SDR33 ISO S-16 | 180 | 5,5 | 186 | 372 | 57 | 2.36 |
| 200 | 200X6,2 SDR33 ISO S-16 | 200 | 6,2 | 205 | 410 | 57 | 3.2 |
| 225 | 225X6,9 SDR33 ISO S-16 | 225 | 6,9 | 222 | 448 | 57 | 4.26 |
| 250 | 250X7,7 SDR33 ISO S-16 | 250 | 7,7 | 237 | 475 | 70 | 6.1 |
| 280 | 280X8,6 SDR33 ISO S-16 | 280 | 8,6 | 270 | 540 | 80 | 8.2 |
| 315 | 315X9,7 SDR33 ISO S-16 | 315 | 9,7 | 277 | 558 | 80 | 9.64 |
| 355 | 355X10,9 SDR33 ISO S-16 | 355 | 10,9 | 346 | 691 | 100 | 16.08 |
| 400 | 400X12,3 SDR33 ISO S-16 | 400 | 12,3 | 355 | 710 | 104 | 18.58 |
| 450 | 450X13,8 SDR33 ISO S-16 | 450 | 13,8 | 450 | 900 | 130 | 30.74 |
| 500 | 500X15,3 SDR33 ISO S-16 | 500 | 15,3 | 450 | 895 | 130 | 33.66 |
| 63 | 63X3,8 SDR17 ISO S-8 | 63 | 3,8 | 72 | 145 | 25 | 0.17 |
| 75 | 75X4,5 SDR17 ISO S-8 | 75 | 4,5 | 75 | 150 | 16 | 0.311 |
| 90 | 90X5,4 SDR17 ISO S-8 | 90 | 5,4 | 107 | 212 | 38 | 0.518 |
| 110 | 110X6,6 SDR17 ISO S-8 | 110 | 6,6 | 121 | 251 | 50,5 | 0.897 |
| 125 | 125X7,4 SDR17 ISO S-8 | 125 | 7,4 | 140 | 280 | 50 | 1.24 |
| 140 | 140X8,3 SDR17 ISO S-8 | 140 | 8,3 | 150 | 304 | 54 | 1.72 |
| 160 | 160X9,5 SDR17 ISO S-8 | 160 | 9,5 | 173 | 346 | 57 | 2.44 |
| 180 | 180X10,7 SDR17 ISO S-8 | 180 | 10,7 | 186 | 372 | 57 | 3.42 |
| 200 | 200X11,9 SDR17 ISO S-8 | 200 | 11,9 | 202,5 | 405 | 57 | 4.52 |
| 225 | 225X13,4 SDR17 ISO S-8 | 225 | 13,4 | 222,5 | 445 | 57 | 6.32 |
| 250 | 250X14,8 SDR17 ISO S-8 | 250 | 14,8 | 235 | 470 | 70 | 8.28 |
| 280 | 280X16,6 SDR17 ISO S-8 | 280 | 16,6 | 272 | 543 | 80 | 12.04 |
| 315 | 315X18,7 SDR17 ISO S-8 | 315 | 18,7 | 275 | 550 | 80 | 14.38 |
| 355 | 355X21,1 SDR17 ISO S-8 | 355 | 21,1 | 340 | 680 | 104 | 22.9 |
| 400 | 400X23,7 SDR17 ISO S-8 | 400 | 23,7 | 352,5 | 705 | 106 | 27.74 |
| 450 | 450X26,7 SDR17 ISO S-8 | 450 | 26,7 | 450 | 895 | 134 | 45.1 |
| 500 | 500X29,7 SDR17 ISO S-8 | 500 | 29,7 | 450 | 900 | 130 | 51.08 |
| 20 | 20X1,9 SDR11 ISO S-5 | 20 | 1,9 | 34 | 68 | 17,5 | 0.011 |
| 25 | 25X2,3 SDR11 ISO S-5 | 25 | 2,3 | 40 | 80 | 20,5 | 0.021 |
| 32 | 32X2,9 SDR11 ISO S-5 | 32 | 2,9 | 45 | 90 | 20,5 | 0.037 |
| 40 | 40X3,7 SDR11 ISO S-5 | 40 | 3,7 | 50 | 100 | 20,5 | 0.061 |
| 50 | 50X4,6 SDR11 ISO S-5 | 50 | 4,6 | 60 | 120 | 23 | 0.114 |
| 63 | 63X5,8 SDR11 ISO S-5 | 63 | 5,8 | 72 | 144 | 25 | 0.22 |
| 75 | 75X6,8 SDR11 ISO S-5 | 75 | 6,8 | 75 | 152 | 15 | 0.386 |
| 90 | 90X8,2 SDR11 ISO S-5 | 90 | 8,2 | 105 | 213 | 38 | 0.68 |
| 110 | 110X10,0 SDR11 ISO S-5 | 110 | 10 | 122 | 253 | 51 | 1.18 |
| 125 | 125X11,4 SDR11 ISO S-5 | 125 | 11,4 | 140 | 280 | 52 | 1.7 |
| 140 | 140X12,7 SDR11 ISO S-5 | 140 | 12,7 | 152 | 305 | 53 | 2.38 |
| 160 | 160X14,6 SDR11 ISO S-5 | 160 | 14,6 | 173 | 346 | 57 | 3.3 |
| 180 | 180X16,4 SDR11 ISO S-5 | 180 | 16,4 | 186 | 372 | 57 | 4.38 |
| 200 | 200X18,2 SDR11 ISO S-5 | 200 | 18,2 | 202,5 | 405 | 57 | 6.06 |
| 225 | 225X20,5 SDR11 ISO S-5 | 225 | 20,5 | 222,5 | 445 | 57 | 8.2 |
| 250 | 250X22,7 SDR11 ISO S-5 | 250 | 22,7 | 235 | 470 | 72 | 10.86 |
| 280 | 280X25,4 SDR11 ISO S-5 | 280 | 25,4 | 270 | 540 | 80 | 15.6 |
| 315 | 315X28,6 SDR11 ISO S-5 | 315 | 28,6 | 275 | 550 | 80 | 18.92 |
| 355 | 355X32,2 SDR11 ISO S-5 | 355 | 32,2 | 345 | 590 | 105 | 30.64 |
| 400 | 400X36,3 SDR11 ISO S-5 | 400 | 36,3 | 355 | 700 | 103 | 37.96 |
| 450 | 450X40,9 SDR11 ISO S-5 | 450 | 40,9 | 450 | 900 | 130 | 63 |
| 500 | 500X45,4 SDR11 ISO S-5 | 500 | 45,4 | 450 | 900 | 130 | 71 |

蘇公網(wǎng)安備 32050502000597號(hào)